DeWalt tools are known for their durability and reliability, making them a favorite among DIY enthusiasts and professionals alike. With a wide range of products to choose from, DeWalt has something for everyone.
Whether you’re in need of a DeWalt battery pack for your cordless tools or looking for a compact power tool for tight spaces, DeWalt has you covered. Their innovative designs and quality craftsmanship set them apart from the competition.
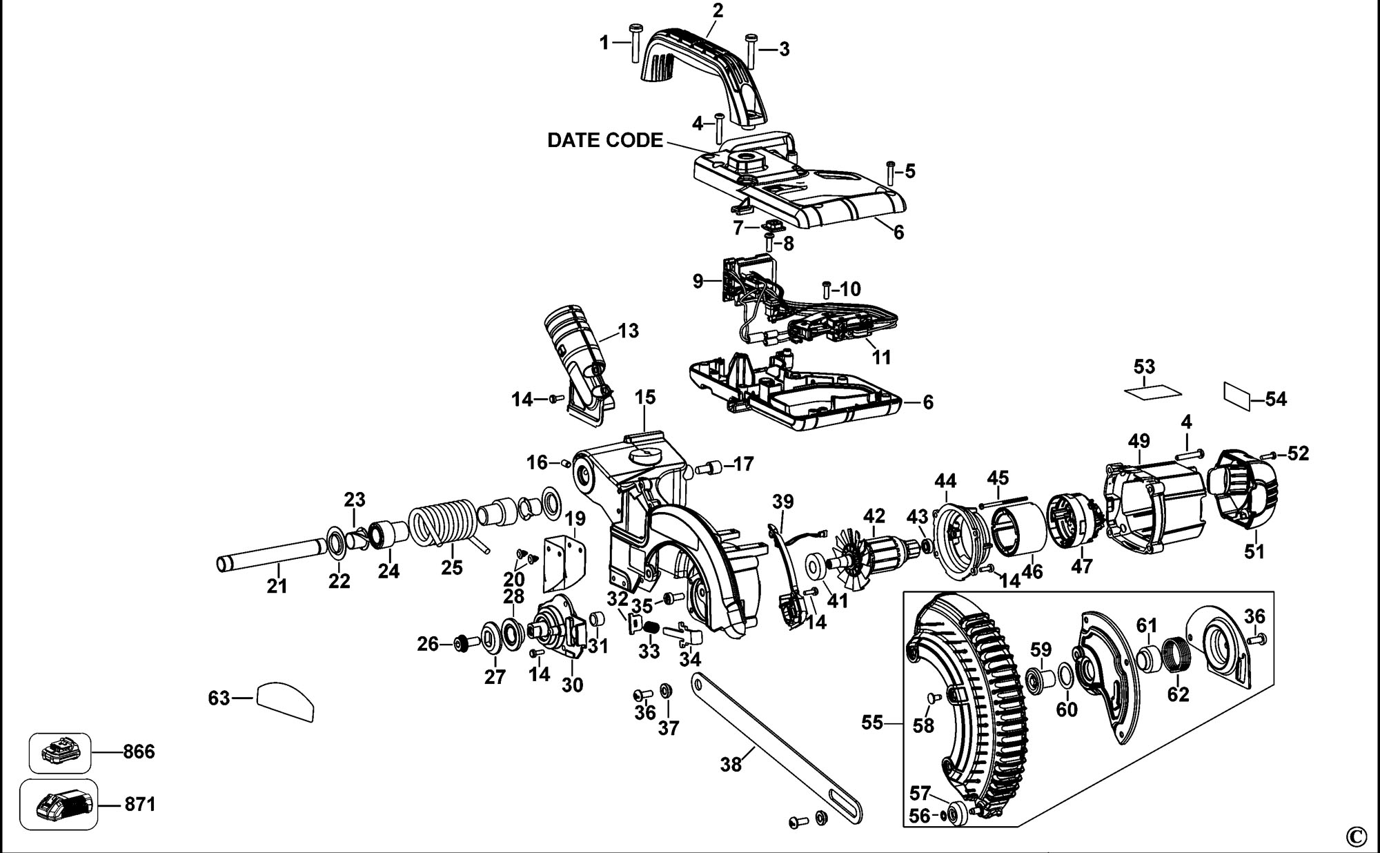
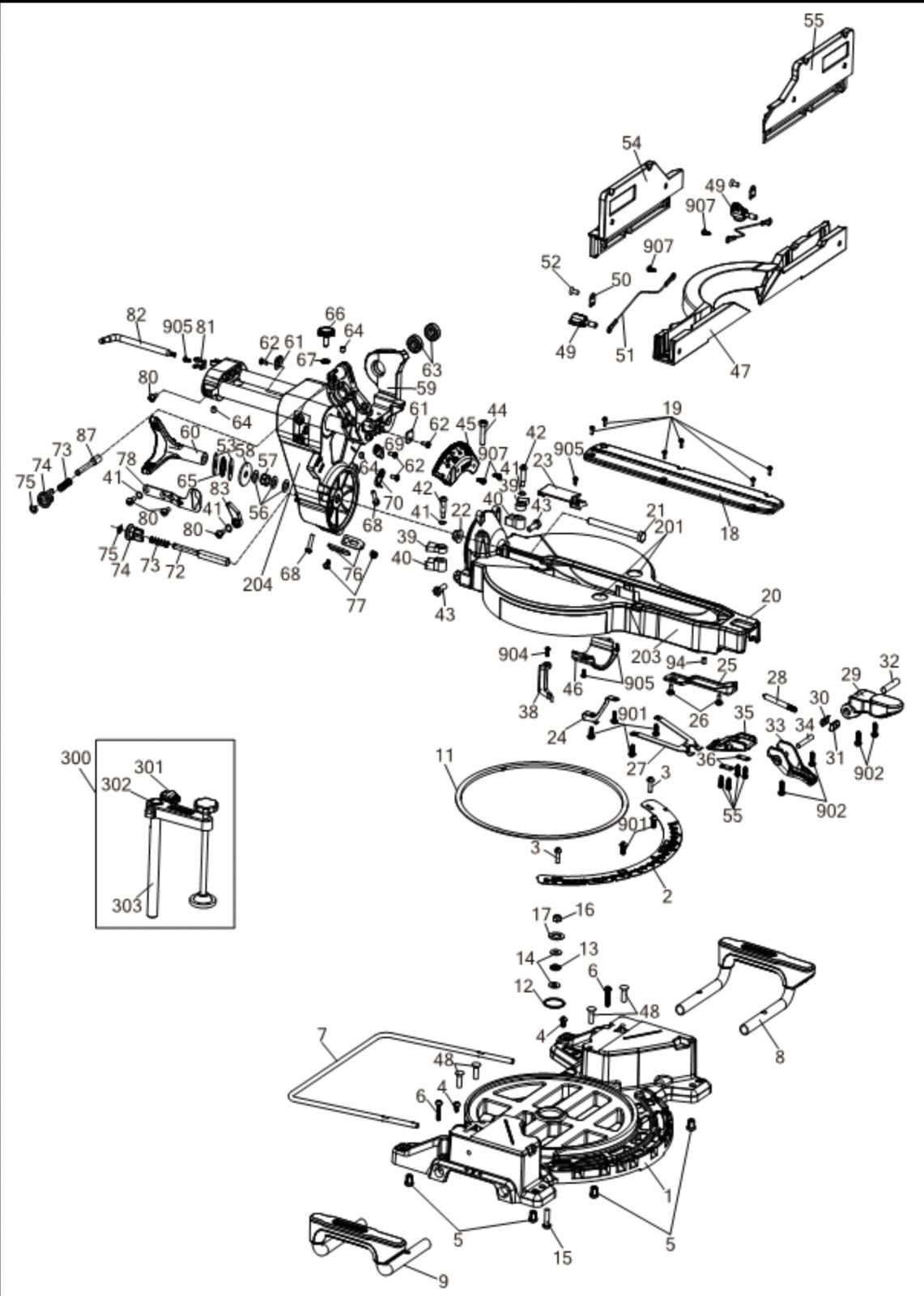
dewalt miter saw parts diagram
DeWalt Miter Saw Parts Diagram
When it comes to precision cutting, a DeWalt miter saw is a must-have tool. Understanding the different parts of your miter saw is essential for proper maintenance and operation. Refer to the DeWalt miter saw parts diagram to familiarize yourself with each component.
From the blade guard to the bevel lock, each part plays a crucial role in the performance of your miter saw. Regularly inspecting and cleaning these parts will ensure your tool remains in top condition for years to come.
Investing in a DeWalt drill kit is a smart choice for anyone in need of a reliable and powerful tool. With features like variable speed control and ergonomic design, DeWalt drills make any project a breeze. Upgrade your toolbox with a DeWalt drill kit today.
In conclusion, DeWalt tools are a cut above the rest when it comes to quality and performance. Whether you’re a seasoned professional or a weekend warrior, DeWalt has the tools you need to get the job done right. Trust in DeWalt for all your tool needs.
DWS779 21 ServiceNet
Dewalt Dcs365 Mitre Saw type 1 Spare Parts SPARE DCS365 TYPE 1 From Spare Parts World
Adding a dewalt miter saw parts diagram delivers dependable performance when it comes to getting more done with less effort. They work well for fastening bolts and screws. Because they’re easy to carry anywhere they’re great for both home and on-site use. Whether during remodeling projects, a DeWalt tool kit provides the precision you need. One job at a time, they prove their value.
Dewalt Dcs781x2 Mitre Saw Type 21 Spare Parts SPARE DCS781X2 TYPE 21 From Spare Parts World
DeWalt DW705 Type 1 Spare Parts
DWS715 MITRE SAWS WOODWORKING Dewalt Null ServiceNet
Working with a DeWalt ratchet offers a reliable solution when it comes to working in tight spaces. They work well for driving screws quickly. Because they’re compact and cordless, you can work in tight or hard-to-reach spots. Whether used on a construction site, a DeWalt combo kit handles demanding jobs effortlessly. One project at a time, they prove their worth.





