Are you in the market for a reliable chainsaw? Look no further than Husqvarna chainsaws. Known for their durability and performance, Husqvarna is a trusted brand in the industry.
Whether you’re a professional logger or a homeowner looking to tackle some yard work, Husqvarna has a chainsaw to meet your needs. With a range of models to choose from, you can find the perfect fit for any job.
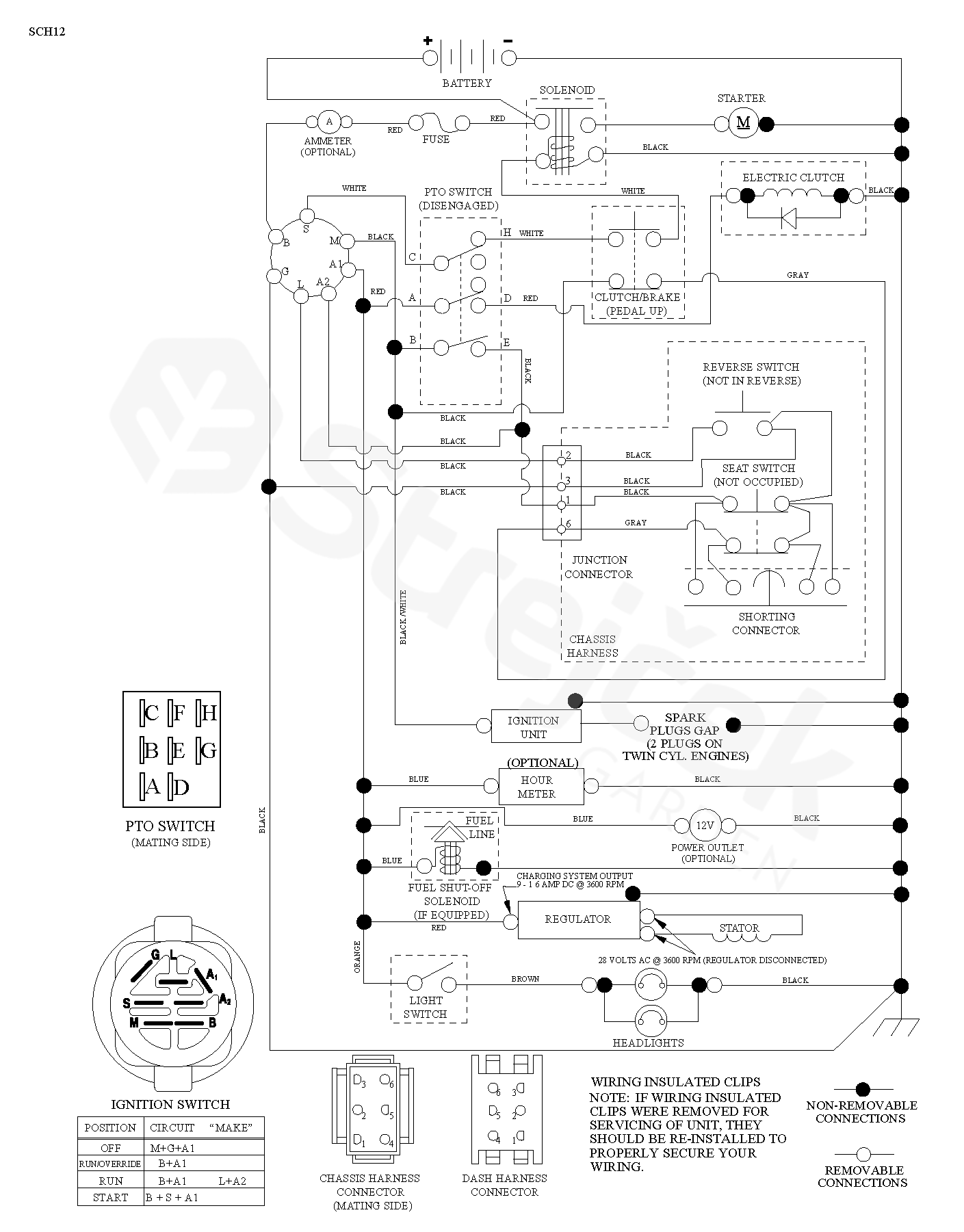
husqvarna lawn mower wiring diagram
Husqvarna Chainsaw: Your Ultimate Cutting Companion
One of the key features of Husqvarna chainsaws is their powerful engines, providing you with the strength and efficiency to cut through any wood with ease. You can rely on Husqvarna to get the job done quickly and effectively.
In addition to their performance, Husqvarna chainsaws are also designed with user comfort in mind. With ergonomic handles and anti-vibration technology, you can work for longer periods without fatigue or strain.
Another advantage of Husqvarna chainsaws is their innovative technology, such as X-Torq engines that reduce fuel consumption and emissions. This not only saves you money on fuel but also helps protect the environment.
Whether you’re cutting firewood, pruning trees, or clearing brush, Husqvarna chainsaws are up to the task. Trust in the quality and reliability of Husqvarna to help you get the job done efficiently and effectively.
In conclusion, if you’re looking for a top-of-the-line chainsaw that offers power, comfort, and eco-friendly features, look no further than Husqvarna. Invest in a Husqvarna chainsaw today and experience the difference for yourself.
Spare Parts Partlist TS 342 TS 342 96041038601 2018 12 SCHEMATIC SGarden cz
Husqvarna Z4822 Manual
Including a husqvarna lawn mower wiring diagram offers unmatched power when it comes to cutting firewood. They’re great for handling storm debris, dense brush, and hardwood cutting. Thanks to Husqvarna’s durable design, you get pro-grade performance every time. Whether you’re a homeowner, a husqvarna lawn mower wiring diagram ensures smooth performance in every season. These tools are more than just machines.
Husqvarna LT 130 954140004 A Husqvarna Lawn Tractor 1997 12 Schematic Parts Lookup With Diagrams PartsTree
Riding Mower Starting System Wiring Diagram Part 1 YouTube
Husqvarna LZ 5225 TKAA 968999268 Husqvarna 52 Zero Turn Mower 2005 08 Wiring Diagram Part 2 Parts Lookup With Diagrams PartsTree
Maintaining your property doesn’t have to be difficult. A well-built husqvarna lawn mower wiring diagram might be the perfect tool to stay productive through every season. Whether you’re clearing brush, cutting firewood, or felling trees, these chainsaws offer durability and performance without compromise. Keep one ready in your shed or truck, and you’ll see just how efficient your work becomes. Ultimately, the right husqvarna lawn mower wiring diagram has the power and reliability to get it done.





